

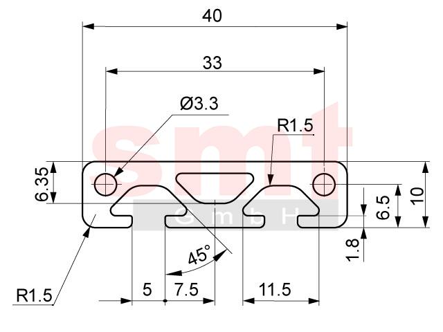
Profil 5 40x10 schwarz Europäische QualitätHinweis Aluprofil 40x10 schwarz, Nut 5 Aluminiumprofil in schwarz eloxierter Ausführung aus Europäischer Herstellung Verbaubar mit allen Zubehörteilen der Baureihe 5 Toleranzen bei Zuschnitten nach DIN ISO 2768 Teil 1 m Technische Daten Werkstoff: AlMgSi0,5F25 schwarz eloxiert Trägheitsmoment I x: 0,25 cm4 Trägheitsmoment I y: 3,65 cm4 Widerstandsmoment W x: 0,46 cm³ Widerstandsmoment W y: 1,83 cm³ Gewicht: 0,641 Kg Biegung berechnen Artikel Bezeichnung: Profil 5 40x10 schwarz Artikelnummer: S1054010SCH Kompatibilität: I-Typ Download Datenblatt BarcodePreise Aluminium-Profil 5 40x10 schwarz Bitte wählen:
Versand mit Paketdienst ist bis 2400mm möglich
| |||||||
Passendes Zubehör für Aluprofil 5 40x10 schwarz
Europäische Qualität
Abdeckkappen